電磁離合器
--- 多年的風電,起重,冶金,港口,水利相關產品與服務的銷售和經驗
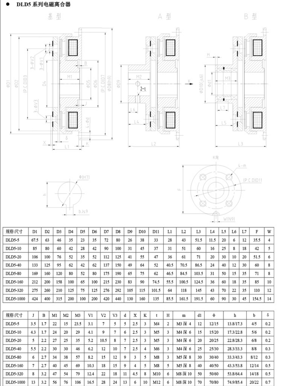
DLD5-A電磁離合器
LINRUI BRAKE
發布時間:2024-05-13
產品介紹:
按需定制
多種規格
質量保障
終身維修
24小時服務熱線
0391-7543530


研發實力
憑借技術和研發實力,我們將持續不斷地用更高的產品性能和質量,更快的市場反應速度,更強的成本控制能力。
品種齊全
經多年的不懈努力,,和不斷的創新,在常規通用型產品的生產至新產品的研制,產品的品種至今以超過千余種。
設備完善
公司強化生產力先后投入幾千萬元增加了各種配套設備生產線,提升質量和增加產量。
服務團隊
公司始終以“勤、誠、信”的企業文化精神,贏得社會廣大客戶的支持和信任,在各界廣業樹立了良好形象。
0391-7543530
手機站